新品目錄
?
| 作動 | 液壓符號 | 類別 | 主訂購代號 | 流量 (l/min) |
壓力 (bar) |
成型孔 |
-
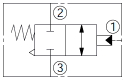
3 ports 
內導壓二口二位
常閉型, 外部透氣
DD-10W-33 38 240 10W-3 -
3 ports 
常閉型調壓元件
LR-163A-30 30 350 163A-3 LR-11A-30 60 350 11A-3 LR-11A-31 60 350 11A-3 LR-2A-30 120 350 2A-3 LR-2A-31 120 350 2A-3 LR-17A-30 240 350 17A-3 LR-17A-31 240 350 17A-3 LR-19A-30 480 350 19A-3 LR-19A-31 480 350 19A-3 -
2 ports 
標準型
FL-13A-20 40 350 13A-2 -

大流量
單止回, 口1封閉
通電時口1及口2雙向流動
EP-16W-2A-03-Z-95 240 350 16W-2 -

大流量
單止回, 口2封閉
通電時口2通口1
EP-16W-2A-01-Z-95 240 350 16W-2 -
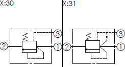
3 ports 
標準型******設定壓
350 BAR
CB-27M 90 350 27M-3 -
2 ports 
全調型節流閥
附止回
NC-08W-20 35 350 08W-2 NC-10W-20 45 350 10W-2 -
3 ports 
全平衡型導壓開
CA-11A-3N 60 420 11A-3 CA-2A-3N 120 420 2A-3 -

大流量
口1通口2
通電時口1封閉
EP-16W-2A-10-Z-95 240 350 16W-2 -
3 ports 
旁通限流全調型壓力補償
FR-10W-31 240 10W-3 FR-10W-33 240 10W-3 FR-12W-36 240 12W-3 FR-17A-3A 350 17A-3 FR-19A-3A 350 19A-3 -

雙向封閉, 通電時雙向流動
快速反應型
EP-08W-2C-51-Z-04 20 350 08W-2 -
3 ports 
二口二位, 導壓操作
內部排油到口3, 常閉型
DP-11A-3N 28 240 11A-3 -

管路破裂油路關閉保護閥
鎖入型
G 1/4"雙內牙
六角本體
MEG02BG02B-HB 350 MEG03BG03B-HB 350 MEG04BG04B-HB 350 MEG06BG06B-HB 350 -

大流量
單止回, 口2封閉
通電時口2通口1
EP-21E-2A-01-Z-95 240 350 21E-2 -

大流量
單止回, 口1封閉
通電時口1及口2雙向流動
EP-16A-2A-03-Z-95 240 350 16A-2 -
3 ports 
3口插孔、無透氣孔
MB-11A-3D 60 350 11A-3 MB-2A-3A 120 350 2A-3 MB-2A-3C 120 350 2A-3 MB-2A-3D 120 350 2A-3 MB-17A-3A 240 350 17A-3 MB-17A-3C 240 350 17A-3 MB-17A-3D 240 350 17A-3 MB-19A-3A 480 350 19A-3 MB-19A-3C 480 350 19A-3 MB-19A-3D 480 350 19A-3 -
3 ports 
常閉型調壓元件
快速反應型
LR-11A-31-Y-N-85 60 350 11A-3 LR-2A-31-Y-N-85 120 350 2A-3 -

4口3位
ES-08W-4A-23-Z-04 8 350 08W-4 -

雙向封閉, 通電時雙向流動
EP-10W-2C-51-Z-04 25 350 10W-2 -
3 ports 
三口二位, 導壓操作
內部排油到口3
DP-11A-3Q 28 240 11A-3 -
2 ports 
直動型
提動軸結構
RD-10W-20 40 250 10W-2 RD-162A-25 45 350 162A-2 RD-10A-25 95 350 10A-2 RD-3A-25 200 350 3A-2 RD-16A-25 380 350 16A-2 RD-18A-25 760 350 18A-2 RD-13A-25 95 350 13A-2 RD-3A-27 60 350 3A-2 RD-30R-20 120 350 30R-2 -

管路破裂油路關閉保護閥
鎖入型
G 1/4"外牙轉G 1/4"內牙
六角本體
MEG02BG02A-HB 350 MEG03BG03A-HB 350 MEG04BG04A-HB 350 MEG06BG06A-HB 350 -

大流量
單止回, 口1封閉
通電時口1及口2雙向流動
EP-21E-2A-03-Z-95 240 350 21E-2 -

大流量
單止回, 口2封閉
通電時口2通口1
EP-16A-2A-01-Z-95 240 350 16A-2 -

4口3位
ES-10W-4C-23-Z-04 16 350 10W-4 -

大流量
單止回, 口2封閉
通電時口2通口1
EP-18A-2A-01-Z-95 480 350 18A-2 -
2 ports 
直動型
提動軸導柱結
RD-08W-22 25 350 08W-2 RD-28M-22 35 350 28M-2 RD-35M-22 70 350 35M-2 -

4口3位
ES-08W-4A-24-Z-04 10 350 08W-4 -
4口2位
ES-10W-4C-10-Z-04 25 350 10W-4 -
3 ports 
極限流型
最高設定壓 280 bar
CB-11A-3A-_-_-10 10 280 11A-3 CB-11A-3C-_-_-10 10 280 11A-3 -

4口3位
ES-10W-4C-24-Z-04 20 350 10W-4 -

常閉型附止回閥, 雙向封閉
通電時口2通口1
快速關閉型
EP-35MV-2A-11-Z-85 150 350 35MV-2 -
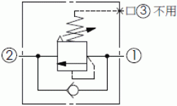
3 ports 
透大氣
直動型附止回閥
口3不用
SC-11A-20 60 350 11A-3 SC-2A-20 120 350 2A-3 SC-17A-20 240 350 17A-3 SC-19A-20 480 350 19A-3 -
6 ports 
四口二位
DC-62A-6E 38-120 350 62A-6 -

4口3位
ES-08W-4A-26-Z-04 8 350 08W-4 -
4口2位
ES-10W-4C-11-Z-04 25 350 10W-4 -
4 ports 
高壓側梭動閥彈簧偏位
DS-32A-4S 120 350 32A-4 -
3 ports 
直動型無止回閥
SD-11A-30 60 420 11A-3 SD-2A-30 120 420 2A-3 SD-19A-30 480 420 19A-3 -
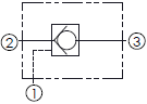
3 ports 
導壓開單向閥
口2通口3自由流
CO-11A-38 60 350 11A-3 -

雙向封閉, 通電時雙向流動
快速關閉型
EP-13A-2A-31-Z-85 40 350 13A-2 -
6 ports 
四口三位, 中立H型
DC-62A-6E 38-120 350 62A-6 -

4口3位
ES-10W-4C-26-Z-04 20 350 10W-4 -

4口2位
ES-10W-4C-12-Z-04 25 350 10W-4 -

雙向封閉, 通電時雙向流動
快速反應型
EP-13A-2C-51-Z-04 25 350 13A-2 -
3 ports 
直動型降壓比例減洩壓閥
高壓型
PPC-11A-3D-_-_-74 20 350 11A-3 -

雙向封閉, 通電時雙向流動
快速關閉型
EP-5A-2A-31-Z-85 120 350 5A-2 -
2 ports 
導壓操作平衡活塞型
快速反應
RP-10A-22 95 350 10A-2 RP-3A-22 200 350 3A-2 RP-16A-22 380 350 16A-2 RP-18A-22 760 350 18A-2 -
6 ports 
四口二位
先導切換
DC-62A-6E 38~120 350 62A-4 DC-63A-6E 95~380 350 63A-4 DC-64A-6E 200~760 350 64A-4 -
2 ports 
全調型節流閥
標準針閥節流孔
NV-10W-20 50 350 10W-2 -

雙向封閉, 通電時雙向流動
EP-33MC-2A-31-Z-05 150 350 33MC-2 -
3 ports 
直動型降壓比例減洩壓閥
低內漏
高壓型
PPC-11A-3D-_-_-74-1 20 350 11A-3 -
6 ports 
外導壓比例閥
4口3位
PDD52A-6P-_-N-28 28 350 52A-6 PDD52A-6P-_-N-70 70 350 52A-6 -

單止回, 口2封閉
通電時口2通口1
EP-33MC-2A-01-Z-05 150 350 33MC-2 -
3 ports 
極限流型
最高設定壓 350 bar
CB-11A-3D-_-10 10 350 11A-3 CB-11A-3J-_-10 10 350 11A-3 -
3 ports 
平衡提動軸型
SP-11A-3G 60 350 11A-3 SP-2A-3G 120 350 2A-3 SP-17A-3G 240 350 17A-3 SP-19A-3G 480 350 19A-3 -

雙向流動
通電時雙向封閉
(外部金屬元件不鏽鋼)
EP-13A-2A-32-Z-05-P 40 350 13A-2 -

雙向封閉, 通電時雙向流動
EP-5A-2A-31-Z-05 120 350 5A-2 -
3 ports 
止回閥
透大氣型導壓開
CK-11A-3C 60 350 11A-3 CK-2A-3C 120 350 2A-3 CK-17A-3C 240 350 17A-3 CK-19A-3C 480 350 19A-3 -
4 ports 
止回閥
導壓開
CK-21A-4C 60 350 21A-4 CK-22A-4C 120 350 22A-4 CK-23A-4C 240 350 23A-4 CK-24A-4C 480 350 24A-4 -
2 ports 
全調型壓力補償流量閥、附止回、銳緣設計
FR-13A-20 23 350 13A-2 FR-5A-20 45 350 5A-2 FR-16A-20 95 350 16A-2 FR-18A-20 200 350 18A-2 FR-20MC-20 23 350 20MC-2 -

單止回, 口2封閉
通電時口2通口1
EP-5A-2A-01-Z-05 120 350 5A-2 -
2 ports 
固定節流孔
壓力補償閥
FR-08W-22 20 420 08W-2 -
3 ports 
全平衡型
常閉邏輯元件
LB-11A-3S 60 350 11A-3 LB-2A-3S 120 350 2A-3 LB-17A-3S 240 350 17A-3 LB-19A-3S 480 350 19A-3 -
3 ports 
全平衡型
常開邏輯元件
LN-11A-3S 60 350 11A-3 LN-2A-3S 120 350 2A-3 -
4 ports 
全平衡型
常開邏輯元件
LN-21A-4S 60 350 21A-4 LN-22A-4S 120 350 22A-4 LN-23A-4S 240 350 23A-4 -
2 ports 
提動軸型
單止回常閉比例流量閥
纜繩輔助操作
PEP-08W-2A 22 250 08W-2 -
2 ports 
提動軸型
單止回常閉比例流量閥
PEP-10W-2D 55 260 10W-2 -
4 ports 
旁通, 節流型
優先流量調節元件
LR-31A-41 60 350 31A-4
-
主訂購代號 流量
(l/min)堆疊高度(mm) MH05GBW-X-Y-Z01 80 49.5 -
主訂購代號 流量
(l/min)堆疊高度(mm) MH05PBC-X-Y-Z03 80 63.0 -
主訂購代號 流量
(l/min)堆疊高度(mm) MH03GBW-X-Y-Z01 40 44.5
| 電氣符號 | 圖式 | 主訂購代碼 | 瓦特 (W) |
連結 |
-


EC-19A-220-M-_-B 22 METRIPACK Series 150-2M (Vertical) -


EC-19A-220-M 22 METRIPACK Series 150-2M (Vertical) -


EC-16B-260-A 26 AMP JUNIOR -


EC-16B-260-C 26 DOUBLE LEAD (L) -


EC-16B-260-F 26 DEUTSCH DT04-2P (Vertical)




