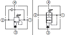
負載感應控制閥
?-
- pressure :
- 350(3)
- YOUR SELECTIONS :
- All
| 作動 | 液壓符號 | 類別 | 主訂購代號 | 流量 (l/min) |
壓力 (bar) |
成型孔 |
-
3 ports 
3口插孔、無透氣孔
MB-11A-3D 60 350 11A-3 MB-2A-3A 120 350 2A-3 MB-2A-3C 120 350 2A-3 MB-2A-3D 120 350 2A-3 MB-17A-3A 240 350 17A-3 MB-17A-3C 240 350 17A-3 MB-17A-3D 240 350 17A-3 MB-19A-3A 480 350 19A-3 MB-19A-3C 480 350 19A-3 MB-19A-3D 480 350 19A-3 -
4 ports 
4口插孔、透氣型
MW-22A-4A 120 350 22A-4 MW-22A-4C 120 350 22A-4 MW-22A-4D 120 350 22A-4 MW-23A-4A 240 350 23A-4 MW-23A-4C 240 350 23A-4 MW-23A-4D 240 350 23A-4 MW-24A-4A 480 350 24A-4 MW-24A-4C 480 350 24A-4 MW-24A-4D 480 350 24A-4
