3 孔
?-
- pressure :
- 350(5)
- YOUR SELECTIONS :
- All
| 作動 | 液壓符號 | 類別 | 主訂購代號 | 流量 (l/min) |
壓力 (bar) |
成型孔 |
-
3 ports 
導壓操作平衡活塞透氣型
RV-11A-30 60. 350 11A-3 RV-2A-30 120 350 2A-3 RV-17A-30 240 350 17A-3 RV-19A-30 480 350 19A-3 -
3 ports 
導壓操作平衡提動軸型
透氣型
RV-11A-3G 60 350 11A-3 RV-2A-3G 95 350 2A-3 RV-17A-3G 200 350 17A-3 RV-19A-3G 480 350 19A-3 -
3 ports 
旁通壓力補償閥
附洩壓功能
RV-11A-3B 40 350 11A-3 RV-2A-3B 80 350 2A-3 RV-17A-3B 160 350 17A-3 RV-19A-3B 320 350 19A-3 -
3 ports 
導壓操作平衡活塞透氣型
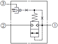
帶8A2插孔
RV-11A-30-Y-8 60 350 11A-3 RV-2A-30-Y-8 120 350 2A-3 RV-17A-30-Y-8 240 350 17A-3 RV-19A-30-Y-8 480 350 19A-3 -
3 ports 
平衡提動軸型調節元件
透氣型帶8A-2/08W-2插孔
RV-11A-3G-Y-Z 60 350 11A-3 RV-2A-3G-Y-Z 120 350 2A-3 RV-17A-3G-Y-Z 240 350 17A-3 RV-19A-3G-Y-Z 480 350 19A-3
