2 孔
?- YOUR SELECTIONS :
- All
| 作動 | 液壓符號 | 類別 | 主訂購代號 | 流量 (l/min) |
壓力 (bar) |
成型孔 |
-
2 ports 
導壓操作平衡活塞型
RP-162A-20 45 350 162A-2 RP-10A-20 95 350 10A-2 RP-3A-20 200 350 3A-2 RP-16A-20 380 350 16A-2 RP-18A-20 760 350 18A-2 RP-10W-20 95 350 10W-2 -
2 ports 
直動型
提動軸結構
RD-08W-20 20 350 08W-2 RD-08W-20-_-A 20 350 08W-2 RD-08W-23 3 420 08W-2 RD-08W-23-_-A 3 420 08W-2 RD-08W-24 22 350 08W-2 -
2 ports 
直動型
提動軸結構
RD-10W-20 40 250 10W-2 RD-162A-25 45 350 162A-2 RD-10A-25 95 350 10A-2 RD-3A-25 200 350 3A-2 RD-16A-25 380 350 16A-2 RD-18A-25 760 350 18A-2 RD-13A-25 95 350 13A-2 RD-3A-27 60 350 3A-2 RD-30R-20 120 350 30R-2 -
2 ports 
直動型
提動軸導柱結
RD-08W-22 25 350 08W-2 RD-28M-22 35 350 28M-2 RD-35M-22 70 350 35M-2 -
2 ports 
直動型
導壓級
RD-10A-21 1 350 10A-2 -
2 ports 
直動型
導壓級
RB-8A-20 10 350 8A-2 -
2 ports 
面差式
提動軸結構
RD-08W-2A 30 240 08W-2 RD-10W-2A 75 350 10W-2 -
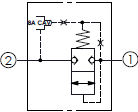
2 ports 
導壓操作平衡活塞型
快速反應
RP-10A-22 95 350 10A-2 RP-3A-22 200 350 3A-2 RP-16A-22 380 350 16A-2 RP-18A-22 760 350 18A-2 -
2 ports 
雙向交叉洩壓閥
CR-10W-20 60 240 10W-2 -
2 ports 
導壓操作平衡提動軸型
RP-10A-2G 95 350 10A-2 RP-3A-2G 200 350 3A-2 RP-16A-2G 380 350 16A-2 RP-18A-2G 760 350 18A-2 -
2 ports 
卻壓型洩壓閥
RQ-10A-20 95 350 10A-2 RQ-3A-20 200 350 3A-2 RQ-16A-20 380 350 16A-2 RQ-18A-20 760 350 18A-2 -
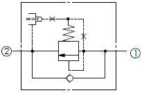
2 ports 
導壓操作
提動軸型附止回
RC-10A-2G 95 350 10A-2 -
2 ports 
平衡活塞調節元件
帶8A2插孔
RP-10W-20-Y-8 95 350 10W-2 RP-10A-20-Y-8 95 350 10A-2 RP-3A-20-Y-8 200 350 3A-2 RP-16A-20-Y-8 380 350 16A-2 RP-18A-20-Y-8 760 350 18A-2 -
2 ports 
平衡提動軸型調節元件
帶8A2插孔
RP-10A-2G-Y-8 95 350 10A-2 RP-3A-2G-Y-8 200 350 3A-2 RP-16A-2G-Y-8 380 350 16A-2 RP-18A-2G-Y-8 760 350 18A-2 -
2 ports 
導壓操作
提動軸型附止回帶8A2插孔
RC-10A-2G-_-8 95 350 10A-2 RC-3A-2G-_-8 200 350 3A-2

